
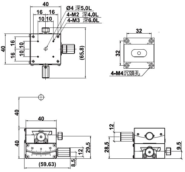
| Table Size |
40x40mm |
| Height of rotation center |
40±1.0 |
| Travel stroke |
上軸±15° 下軸 ±10° |
| Stroke per revolution |
上輪 ≒1.89° 下軸‧≒1.33° |
| Allowable loading |
26.5N |
| Weight |
0.22KG |
| Material |
Aluminum alloy |
| Surface treatment |
Black anodized |
The α Axis dovetail stage SEMYG4-40CS is suitable for optical instruments, measuring devices, inspection apparatus, semiconductor manufacturing equipment, testing machines, microscopes, handling machine, processing machines, medical equipment, printing, and more.
- Single Axis : α Axis Manual Stage
- Guiding Type : Dovetail Guiding
- Feeding Mode : Worm and Worm Gears